 |
 |
|
 |
 |
Приводная техника

Вся продукция сертифицирована. Мы будем рады видеть Вас клиентом нашей компании.

|
|
 |
 |
 |
Двухступенчатый червячный мотор-редуктор DRV |
|
 |
 |
Двухступенчатый червячный мотор-редуктор DRV

-
Модель: DRV
-
Размер: 30/40 - 30/50 - 30/63 - 40/75 - 40/90 -
50/110 - 50/130
-
Передаточное число: "i"
= 300:1 - 3200:1
-
Мощность: 0,06 - 1,5 квт
-
Крутящий момент: 68 - 2150 Нм
ОБЩЕЕ ОПИСАНИЕ
Схема типового обозначения.
тип |
типоразмер |
переда-
точное
число |
исполнение |
электро-
двигатель |
монтажная позиция |
двух-
сторонний
входной
вал |
цилиндрический
выходной
вал |
выходной
фланец |
реактивная штанга |
NMRV |
030 - 130 |
5 - 3200 |
E |
SS - односторонний |
FL - широкий |
A |
мощность и
обороты
электро-
двигателя |
монтажные позиции |
NRV |
PCRV |
DS - двухсторонний |
DRV |
Пример условного обозначения в заказе.
DRV - 040/075 - 3000 - 0.5 - 0.06 - AS1
DRV - червячный двухступенчатый мотор-редуктор;
040/075 - комбинация редукторов 040 и 075 габаритов;
3000 - передаточное число;
0,5 - частота вращения выходного вала (об/мин);
0,06 - мощность электродвигателя (кВт);
AS1 - монтажная позиция.
Монтажные позиции.

Технические характеристики.
Мощность двигателя, кВт |
Частота вращения выходного вала, об/мин |
Крутящий момент, Нм |
Сервис-фактор |
Передаточное число |
Тип мотор-редуктора |
Двигатель IEC |
Радиальная нагрузка, Н |
0,06 |
14.0 |
25 |
1.3 |
100 |
DRV025/030 |
56A4 |
1620 |
9.3 |
32 |
0.9 |
150 |
1830 |
7.0 |
41 |
0.7 |
200 |
1830 |
5.6 |
44 |
0.8 |
250 |
1830 |
4.7 |
59 |
1.2 |
300 |
DRV025/040 |
56A4 |
3490 |
3.5 |
71 |
0.9 |
400 |
3490 |
2.8 |
82 |
0.7 |
500 |
3490 |
2.3 |
101 |
0.6 |
600 |
3490 |
1.9 |
116 |
0.5 |
750 |
3490 |
1.6 |
143 |
0.5 |
900 |
3490 |
1.2 |
171 |
0.4 |
1200 |
3490 |
0.9 |
197 |
0.3 |
1500 |
3490 |
0.8 |
217 |
0.3 |
1800 |
3490 |
0.6 |
268 |
0.2 |
2400 |
3490 |
0.5 |
324 |
0.2 |
3000 |
3490 |
0.4 |
294 |
0.1 |
4000 |
3490 |
0.3 |
356 |
0.1 |
5000 |
3490 |
4.7 |
57 |
1.3 |
300 |
DRV030/040 |
56A4 |
3490 |
3.5 |
70 |
0.9 |
400 |
3490 |
2.8 |
96 |
0.6 |
500 |
3490 |
2.3 |
104 |
0.7 |
600 |
3490 |
1.9 |
121 |
0.6 |
750 |
DRV030/040 |
56A4 |
3490 |
1.6 |
139 |
0.5 |
900 |
3490 |
1.2 |
166 |
0.4 |
1200 |
3490 |
0.9 |
196 |
0.4 |
1500 |
3490 |
0.8 |
218 |
0.3 |
1800 |
3490 |
0.58 |
261 |
0.2 |
2400 |
3490 |
0.4 |
300 |
0.2 |
3200 |
3490 |
0.4 |
279 |
0.1 |
4000 |
3490 |
0.28 |
338 |
0.1 |
5000 |
3490 |
1.6 |
141 |
1.0 |
900 |
DRV030/050 |
56A4 |
4840 |
1.2 |
169 |
0.7 |
1200 |
4840 |
0.93 |
199 |
0.7 |
1500 |
4840 |
0.78 |
222 |
0.7 |
1800 |
4840 |
0.6 |
266 |
0.5 |
2400 |
4840 |
0.5 |
307 |
0.4 |
3000 |
4840 |
0.35 |
288 |
0.3 |
4000 |
4840 |
0.29 |
311 |
0.3 |
4800 |
4840 |
0.9 |
204 |
1.1 |
1500 |
DRV030/063 |
56A4 |
6270 |
0.78 |
225 |
0.9 |
1800 |
6270 |
0.58 |
276 |
0.8 |
2400 |
6270 |
0.47 |
319 |
0.7 |
3000 |
6270 |
0.35 |
306 |
0.6 |
4000 |
6270 |
0.28 |
360 |
0.4 |
5000 |
6270 |
0.6 |
330 |
1.1 |
2400 |
DRV040/075 |
56A4 |
7380 |
0.47 |
377 |
0.8 |
3000 |
7380 |
0.35 |
355 |
0.7 |
4000 |
7380 |
0.28 |
419 |
0.5 |
5000 |
7380 |
0.5 |
406 |
1.4 |
3000 |
DRV040/090 |
56A4 |
8180 |
0.35 |
365 |
1.3 |
4000 |
8180 |
0.28 |
431 |
1.0 |
5000 |
8180 |
0,09 |
28.0 |
20 |
1.6 |
100 |
DRV025/030 |
56A2 |
1286 |
18.7 |
25 |
1.1 |
150 |
1472 |
14.0 |
33 |
0.9 |
200 |
1620 |
14.0 |
38 |
0.8 |
100 |
DRV025/030 |
56 B4 |
1620 |
9.3 |
49 |
0.6 |
150 |
1830 |
7.0 |
62 |
0.5 |
200 |
1830 |
5.6 |
66 |
0.5 |
250 |
1830 |
4.7 |
75 |
0.4 |
300 |
1830 |
3.5 |
107 |
0.3 |
400 |
1830 |
2.8 |
115 |
0.3 |
500 |
1830 |
2.3 |
135 |
0.2 |
600 |
1830 |
1.9 |
151 |
0.2 |
750 |
1830 |
1.6 |
178 |
0.2 |
900 |
1830 |
1.2 |
212 |
0.1 |
1200 |
1830 |
0.9 |
247 |
0.1 |
1500 |
1830 |
0.78 |
304 |
0.1 |
1800 |
1830 |
0.58 |
340 |
0.1 |
2400 |
1830 |
0.47 |
405 |
0.1 |
3000 |
1830 |
9.3 |
45 |
1.6 |
300 |
DRV025/040 |
56A2 |
3490 |
7.0 |
54 |
1.2 |
400 |
3490 |
5.6 |
77 |
0.8 |
500 |
3490 |
4.7 |
88 |
0.8 |
300 |
DRV030/040 |
56 B4 |
3490 |
3.5 |
107 |
1.2 |
400 |
DRV030/050 |
56 B4 |
4840 |
2.8 |
123 |
1.0 |
500 |
4840 |
2.3 |
159 |
0.9 |
600 |
4840 |
1.9 |
185 |
0.8 |
750 |
4840 |
1.6 |
212 |
0.7 |
900 |
4840 |
1.6 |
200 |
1.0 |
900 |
DRV030/063 |
56 B4 |
6270 |
1.2 |
263 |
0.9 |
1200 |
6270 |
0.93 |
305 |
0.7 |
1500 |
6270 |
0.9 |
360 |
1.1 |
1500 |
DRV040/075 |
56 B4 |
7380 |
0.78 |
404 |
1.0 |
1800 |
7380 |
0.58 |
496 |
0.7 |
2400 |
7380 |
0.5 |
609 |
0.9 |
3000 |
DRV040/090 |
56 B4 |
8180 |
0.35 |
548 |
0.8 |
4000 |
8180 |
Мощность двигателя, кВт |
Частота вращения выходного вала, об/мин |
Крутящий момент, Нм |
Сервис-фактор |
Передаточное число |
Тип мотор-редуктора |
Двигатель IEC |
Радиальная нагрузка, Н |
0,12 |
4.7 |
119 |
1.2 |
300 |
DRV030/050 |
63A4 |
4840 |
3.5 |
142 |
0.9 |
400 |
4840 |
2.8 |
164 |
0.7 |
500 |
4840 |
2.8 |
171 |
1.3 |
500 |
DRV030/063 |
63A4 |
6270 |
2.3 |
208 |
1.1 |
600 |
6270 |
1.9 |
241 |
0.9 |
750 |
6270 |
1.6 |
325 |
1.2 |
900 |
DRV040/075 |
63A4 |
7380 |
1.2 |
399 |
0.9 |
1200 |
7380 |
0.8 |
547 |
0.9 |
1800 |
DRV040/090 |
63A4 |
8180 |
0.58 |
695 |
0.9 |
2400 |
8180 |
0.5 |
884 |
1.1 |
3000 |
DRV050/105 |
63A4 |
10320 |
0.35 |
784 |
1.0 |
4000 |
10320 |
0.28 |
928 |
0.76 |
5000 |
10320 |
0.5 |
884 |
1.2 |
3000 |
DRV050/110 |
63A4 |
10320 |
0.35 |
784 |
1.0 |
4000 |
10320 |
0.28 |
928 |
0.80 |
5000 |
10320 |
0,18 |
3.5 |
222 |
1.0 |
400 |
DRV030/063 |
63 B4 |
6270 |
2.8 |
257 |
0.8 |
500 |
6270 |
2.3 |
362 |
1.1 |
600 |
DRV040/075 |
63 B4 |
7380 |
1.9 |
435 |
0.9 |
750 |
7380 |
1.6 |
487 |
0.8 |
900 |
7380 |
1.2 |
629 |
1.0 |
1200 |
DRV040/090 |
63 B4 |
8180 |
0.93 |
735 |
0.8 |
1500 |
8180 |
0.8 |
861 |
1.3 |
1800 |
DRV050/105 |
63 B4 |
10320 |
0.58 |
1113 |
0.9 |
2400 |
10320 |
0.8 |
861 |
1.5 |
1800 |
DRV050/110 |
63 B4 |
10320 |
0.58 |
1113 |
1.1 |
2400 |
10320 |
0,25 |
7.0 |
159 |
1.4 |
400 |
DRV030/063 |
63В2 |
6270 |
5.6 |
185 |
1.2 |
500 |
6270 |
3.5 |
336 |
1.1 |
400 |
DRV040/075 |
71А4 |
7380 |
2.8 |
384 |
0.8 |
500 |
7380 |
2.3 |
512 |
1.2 |
600 |
DRV040/090 |
71А4 |
8180 |
1.9 |
598 |
0.9 |
750 |
8180 |
1.6 |
667 |
0.8 |
900 |
8180 |
1.2 |
943 |
1.1 |
1200 |
DRV050/105 |
71А4 |
10320 |
0.93 |
1064 |
1.0 |
1500 |
10320 |
0.78 |
1195 |
0.9 |
1800 |
10320 |
1.2 |
943 |
1.3 |
1200 |
DRV050/110 |
71A4 |
10320 |
0.93 |
1064 |
1.2 |
1500 |
10320 |
0.78 |
1195 |
1.1 |
1800 |
10320 |
0.6 |
1624 |
1.0 |
2400 |
DRV063/130 |
71A4 |
13500 |
0.47 |
1935 |
0.8 |
3000 |
13500 |
0.35 |
2046 |
0.6 |
4000 |
13500 |
0.28 |
2430 |
0.5 |
5000 |
13500 |
0.8 |
1199 |
1.8 |
1800 |
DRV063/150 |
71A4 |
18000 |
0.6 |
1446 |
1.8 |
2400 |
18000 |
0.5 |
1713 |
1.4 |
3000 |
18000 |
0.4 |
2026 |
0.9 |
4000 |
18000 |
0.3 |
2251 |
0.7 |
5000 |
18000 |
0,37 |
9.3 |
181 |
1.3 |
300 |
DRV030/063 |
71A2 |
6270 |
7.0 |
236 |
1.0 |
400 |
6270 |
4.7 |
405 |
1.0 |
300 |
DRV040/075 |
71B4 |
7380 |
3.5 |
498 |
0.7 |
400 |
7380 |
4.7 |
402 |
1.5 |
300 |
DRV040/090 |
71B4 |
8180 |
3.5 |
523 |
1.2 |
400 |
8180 |
2.8 |
611 |
0.9 |
500 |
8180 |
2.3 |
757 |
0.8 |
600 |
8180 |
1.9 |
950 |
1.2 |
750 |
DRV050/105 |
71B4 |
10320 |
1.6 |
1079 |
1.0 |
900 |
10320 |
1.2 |
1396 |
0.7 |
1200 |
10320 |
1.9 |
950 |
1.3 |
750 |
DRV050/110 |
71B4 |
10320 |
1.6 |
1079 |
1.2 |
900 |
10320 |
1.2 |
1396 |
0.8 |
1200 |
10320 |
0.9 |
1674 |
1.1 |
1500 |
DRV063/130 |
71B4 |
13500 |
0.78 |
1887 |
0.9 |
1800 |
13500 |
0.8 |
1775 |
1.2 |
1800 |
DRV063/150 |
71B4 |
18000 |
0.6 |
2141 |
1.2 |
2400 |
18000 |
0.5 |
2535 |
0.9 |
3000 |
18000 |
Мощность двигателя, кВт |
Частота вращения выходного вала, об/мин |
Крутящий момент, Нм |
Сервис-фактор |
Передаточное число |
Тип мотор-редуктора |
Двигатель IEC |
Радиальная нагрузка, Н |
0,55 |
9.3 |
306 |
2.0 |
300 |
DRV040/090 |
71B2 |
8180 |
7.0 |
403 |
1.5 |
400 |
8180 |
5.6 |
470 |
1.2 |
500 |
8180 |
4.7 |
639 |
1.7 |
300 |
DRV050/105 |
80A4 |
10320 |
3.5 |
826 |
1.2 |
400 |
10320 |
2.8 |
984 |
1.0 |
500 |
10320 |
2.3 |
1181 |
0.9 |
600 |
10320 |
1.9 |
1411 |
0.8 |
750 |
10320 |
4.7 |
639 |
2.0 |
300 |
DRV050/110 |
80А4 |
10320 |
3.5 |
826 |
1.4 |
400 |
10320 |
2.8 |
984 |
1.1 |
500 |
10320 |
2.3 |
1181 |
1.0 |
600 |
10320 |
1.9 |
1411 |
0.9 |
750 |
10320 |
2.8 |
996 |
1.6 |
500 |
DRV063/130 |
80А4 |
13500 |
1.9 |
1471 |
1.2 |
750 |
13500 |
1.2 |
2132 |
0.8 |
1200 |
13500 |
0.8 |
2638 |
0.8 |
1800 |
DRV063/150 |
80А4 |
18000 |
0.6 |
3182 |
0.8 |
2400 |
18000 |
0,75 |
7.0 |
549 |
1.1 |
400 |
DRV040/090 |
80A2 |
8180 |
5.6 |
642 |
0.9 |
500 |
8180 |
9.3 |
446 |
2.5 |
300 |
DRV050/105 |
80А2 |
10320 |
7.0 |
563 |
1.8 |
400 |
10320 |
5.6 |
687 |
1.5 |
500 |
10320 |
4.7 |
871 |
1.3 |
300 |
DRV050/105 |
80 В4 |
10320 |
3.5 |
1126 |
0.9 |
400 |
10320 |
9.3 |
446 |
2.8 |
300 |
DRV050/110 |
80А2 |
10320 |
7.0 |
563 |
2.1 |
400 |
10320 |
5.6 |
687 |
1.6 |
500 |
10320 |
4.7 |
871 |
1.5 |
300 |
DRV050/110 |
80 В4 |
10320 |
3.5 |
1126 |
1.1 |
400 |
10320 |
2.8 |
1358 |
1.1 |
500 |
DRV063/130 |
80 В4 |
13500 |
2.3 |
1631 |
1.0 |
600 |
13500 |
1.9 |
2005 |
0.9 |
750 |
13500 |
1.6 |
2283 |
0.8 |
900 |
13500 |
2.8 |
1291 |
1.8 |
500 |
DRV063/150 |
80 В4 |
18000 |
2.3 |
1529 |
1.7 |
600 |
18000 |
1.9 |
1783 |
1.3 |
750 |
18000 |
1.6 |
2215 |
0.9 |
900 |
18000 |
1.2 |
2680 |
1.0 |
1200 |
18000 |
1,1 |
9.3 |
654 |
1.7 |
300 |
DRV050/105 |
80B2 |
10320 |
7.0 |
845 |
1.2 |
400 |
10320 |
5.6 |
1007 |
1.0 |
500 |
10320 |
9.3 |
654 |
1.9 |
300 |
DRV050/110 |
80B2 |
10320 |
7.0 |
845 |
1.4 |
400 |
10320 |
5.6 |
1007 |
1.1 |
500 |
10320 |
4.7 |
1312 |
1.3 |
300 |
DRV063/130 |
90S4 |
13500 |
3.5 |
1671 |
1.0 |
400 |
13500 |
2.8 |
1991 |
0.8 |
500 |
13500 |
9.3 |
753 |
3.1 |
150 |
DRV063/150 |
90S4 |
18000 |
7.0 |
966 |
2.4 |
200 |
18000 |
5.6 |
1175 |
1.7 |
250 |
18000 |
4.7 |
1364 |
1.7 |
300 |
18000 |
3.5 |
1619 |
1.6 |
400 |
18000 |
2.8 |
1893 |
1.2 |
500 |
18000 |
2.3 |
2242 |
1.2 |
600 |
18000 |
1.9 |
2616 |
0.9 |
750 |
18000 |
1,5 |
9.3 |
891 |
1.2 |
300 |
DRV050/105 |
90S2 |
10320 |
7.0 |
1153 |
0.9 |
400 |
10320 |
5.6 |
1373 |
0.7 |
500 |
10320 |
9.3 |
891 |
1.4 |
300 |
DRV050/110 |
90S2 |
10320 |
7.0 |
1153 |
1.0 |
400 |
10320 |
5.6 |
1373 |
0.8 |
500 |
10320 |
9.3 |
915 |
1.9 |
300 |
DRV063/130 |
90S2 |
13500 |
7.0 |
1166 |
1.4 |
400 |
13500 |
5.6 |
1389 |
1.1 |
500 |
13500 |
4.7 |
1789 |
1.0 |
300 |
DRV063/130 |
90L4 |
13500 |
3.5 |
2279 |
0.7 |
400 |
13500 |
9.3 |
1026 |
2.3 |
150 |
DRV063/150 |
90L4 |
18000 |
7.0 |
1317 |
1.8 |
200 |
18000 |
5.6 |
1602 |
1.3 |
250 |
18000 |
4.7 |
1860 |
1.3 |
300 |
18000 |
3.5 |
2208 |
1.2 |
400 |
18000 |
2.8 |
2582 |
0.9 |
500 |
18000 |
2.3 |
3057 |
0.9 |
600 |
18000 |
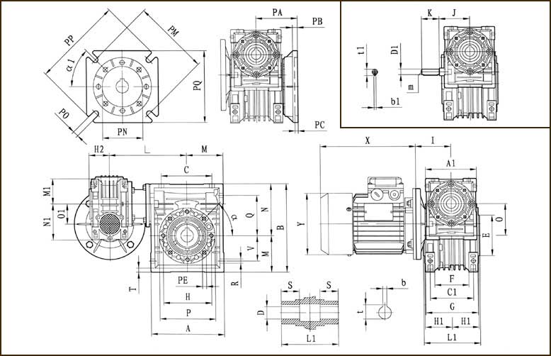
Габаритные и присоединительные размеры.

DRV |
A |
A1 |
В |
С |
C1 |
D
(H7) |
D1
(J6) |
E
(h8) |
F |
G |
H |
H1 |
H2 |
l |
J |
К |
L |
L1 |
M |
M1 |
N |
N1 |
O |
O1 |
P |
030/040 |
100 |
80 |
121.5 |
70 |
60 |
18
(19) |
9 |
60 |
43 |
71 |
75 |
36.5 |
29 |
55 |
51 |
20 |
120 |
78 |
50 |
40 |
71.5 |
57 |
40 |
30 |
87 |
030/050 |
120 |
80 |
144 |
80 |
70 |
25
(24) |
9 |
70 |
49 |
85 |
85 |
43.5 |
29 |
55 |
51 |
20 |
130 |
92 |
60 |
40 |
84 |
57 |
50 |
30 |
100 |
030/063 |
144 |
80 |
174 |
100 |
85 |
25
(28) |
9 |
80 |
67 |
103 |
95 |
53 |
29 |
55 |
51 |
20 |
145 |
112 |
72 |
40 |
102 |
57 |
63 |
30 |
110 |
040/075 |
172 |
100 |
205 |
120 |
90 |
28
(35) |
11 |
95 |
72 |
112 |
115 |
57 |
36.5 |
70 |
60 |
23 |
165 |
120 |
86 |
50 |
119 |
71.5 |
75 |
40 |
140 |
040/090 |
206 |
100 |
238 |
140 |
100 |
35
(38) |
11 |
110 |
74 |
130 |
130 |
67 |
36.5 |
70 |
60 |
23 |
182 |
140 |
103 |
50 |
135 |
71.5 |
90 |
40 |
160 |
050/110 |
252.5 |
120 |
295 |
170 |
115 |
42 |
14 |
130 |
- |
144 |
165 |
74 |
43.5 |
80 |
74 |
30 |
225 |
155 |
127.5 |
60 |
167.5 |
84 |
110 |
50 |
200 |
063/130 |
292.5 |
144 |
335 |
200 |
120 |
45 |
19 |
180 |
- |
155 |
215 |
81 |
53 |
95 |
90 |
40 |
245 |
170 |
147.5 |
72 |
187.5 |
102 |
130 |
63 |
250 |
| 063/150 |
340 |
144 |
400 |
240 |
145 |
50 |
19 |
180 |
- |
192 |
215 |
81 |
53 |
95 |
90 |
40 |
268 |
200 |
170 |
72 |
230 |
102 |
130 |
63 |
250 |
DRV |
Q |
R |
S |
T |
V |
PA |
PB |
PC |
PE |
PM |
PN
(H8) |
PO |
PP |
PQ |
a |
a1 |
b |
b1 |
t |
t1 |
m |
kg |
030/040 |
55 |
6.5 |
26 |
6.5 |
35 |
67 |
7 |
4 |
M6x8
(n=4) |
75 |
60 |
9
(n=4) |
110 |
110 |
45° |
45° |
6(6) |
3 |
20.8
(21.8) |
10.2 |
- |
3.9 |
030/050 |
64 |
8.5 |
30 |
7 |
40 |
90 |
9 |
5 |
M8x10
(n=4) |
85 |
70 |
11
(n=4) |
125 |
110 |
45° |
45° |
8(8) |
3 |
28.3
(27.3) |
10.2 |
- |
5.0 |
030/063 |
80 |
8.5 |
36 |
8 |
50 |
82 |
10 |
6 |
M8x14
(n=8) |
150 |
115 |
11
(n=4) |
180 |
142 |
45° |
45° |
8(8) |
3 |
28.3
(31.3) |
10.2 |
- |
7.8 |
040/075 |
93 |
11 |
40 |
10 |
60 |
111 |
13 |
6 |
M8x14
(n=8) |
165 |
130 |
14
(n=4) |
200 |
170 |
45° |
45° |
8(10) |
4 |
31.3
(38.3) |
12.5 |
- |
12.0 |
040/090 |
102 |
13 |
45 |
11 |
70 |
111 |
13 |
6 |
M10x18
(n=8) |
175 |
152 |
14
(n=4) |
210 |
200 |
45° |
45° |
10(10) |
4 |
38.3
(41.3) |
12.5 |
- |
16.0 |
050/110 |
125 |
14 |
50 |
14 |
85 |
131 |
15 |
6 |
M10x18
(n=8) |
230 |
170 |
14
(n=8) |
280 |
260 |
45° |
45° |
12 |
5 |
45.3 |
16.0 |
M6 |
39.2 |
063/130 |
140 |
16 |
60 |
15 |
100 |
140 |
15 |
6 |
M12x21
(n=8) |
255 |
180 |
16
(n=8) |
320 |
290 |
45° |
22.5° |
14 |
6 |
48.3 |
21.5 |
M6 |
55.0 |
| 063/150 |
180 |
18 |
72,5 |
18 |
120 |
155 |
15 |
6 |
M12x21
(n=8) |
255 |
180 |
16
(n=8) |
320 |
290 |
45° |
22.5° |
14 |
6 |
53.8 |
21.5 |
M6 |
91 |
Если Вам нужны низкие обороты и высокий крутящий момент - мотор-редукторы DRV идеальное решение.
Приводная техника (мотор-редукторы, преобразователи частоты и устройства плавного пуска) отправляется покупателю транспортной компанией. По всем вопросам обращаться в офис.
Мы всегда рады видеть у себя наших старых партнеров и ждем новых.
Доставка во все регионы России!
|
 |
 |
|
|